網站地圖
蘇州杰蘭心環境科技有限公司JIELANXIN ENVIRONMENTAL TECHNOLOGY CO., LTD.
高品質廢水廢氣設備廠商
產品 / 定制加工一站式解決方案噴淋塔+光氧活性炭設備
杰蘭心環境從事環保項目集規劃、設計、咨詢、施工、投資、運營于一體的全產業鏈服務模式。涉及的領域范圍廣、綜合性強,涉及市政、汽車、造紙、石油化工、餐飲、制藥、屠宰、乳制品、建筑業、紡織等,按相應等級的工程設計、專業承包、設施運營、污染防治等資質證書。

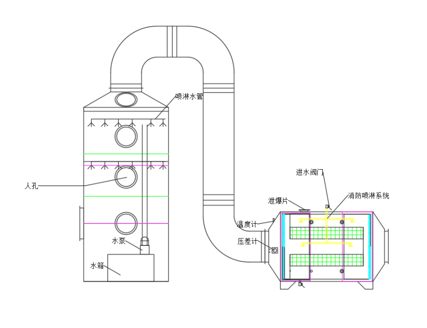
噴淋塔是一種廢氣處理設備,在工業廢氣處理常常能用到這樣的廢氣凈化設備。通常處理酸霧廢氣比較多,因而又稱之為酸霧廢氣塔。
但我們的噴淋塔除了可以處理酸霧廢氣還可以處理其他廢氣,比如氨氣(NH3)硫化氫廢氣、VOC有機廢氣、生活垃圾廢氣、垃圾燃燒廢氣或者粉塵。酸霧廢氣由風管引入凈化塔,經過填料層,廢氣與氫氧化鈉吸收液進行氣液兩相充分接觸吸收中和反應,酸霧廢氣經過凈化后,再經除霧板脫水除霧后由風機排入大氣。吸收液在塔底經水泵增壓后在塔頂噴淋而下,最后回流至塔底循環使用。凈化后的酸霧廢氣達到排放標準的排放要求,低于排放標準。
光氧活性炭設備
光氧活性炭一體機是一款成套的廢氣處理設備。光氧活性炭一體機集合了光氧和活性炭的優點組合而成,是一款能有效處理有毒有害氣體及惡臭氣體的一款環保設備。光氧活性炭一體機是UV光氧凈化器+活性炭箱兩種設備的完美結合,利用UV光氧凈化器的紫外線光和活性炭吸附箱的吸附作用相結合,對工業廢氣進行協同凈化處理。光氧活性炭一體機具有節能、占地小,自重輕、節省人工和物力、無任何機械動作,無噪音等特點。
